
Portifólio de soluções
Apresentamos nosso portfólio de serviços, desenvolvido para oferecer soluções completas e personalizadas, atendendo com excelência às necessidades específicas de cada cliente. Nossa equipe altamente qualificada trabalha com as mais modernas tecnologias, garantindo qualidade, segurança e eficiência em cada etapa do processo, desde o planejamento até a execução. Estamos prontos para entregar resultados que superam expectativas e agregam valor ao seu negócio.

Prédio Cascudo |
Bela Vista
No Prédio Cascudo I – Bela Vista, a HIGGIS Elétrica esta executando toda a infraestrutura elétrica e participou ativamente da construção do projeto. Mesmo não sendo os autores do projeto inicial, colocamos nosso toque técnico em cada detalhe — um diferencial que fez e continua fazendo a obra dar certo.



Reforma Galeria jane Francy
Reforma de todos sistemas elétricos
Oferecemos a reforma completa dos sistemas elétricos, de dados, áudio e câmeras, com atualização da rede elétrica, otimização da infraestrutura de dados e instalação de sistemas de monitoramento modernos, garantindo eficiência e segurança,







Edificío Jane Francy
Prédio comercial onde o projeto feito com a compatibilização em parceria com a Engenharia Almeida. A execução do projeto já foi ofertada e aprovada e será iniciada após a conclusão da reforma da Galeria Jane Francy.





Subestação 112kVA
Subestação aérea de 112,5kVA entregue com sucesso ao nosso cliente!
Nós, da Higgis Elétrica, entregamos com excelência e expertise mais uma subestação aérea, reforçando nosso compromisso em oferecer soluções energéticas de alta qualidade.
Nossos diferenciais fazem toda a diferença: tecnologia de ponta, equipe altamente capacitada e um compromisso inabalável com a satisfação de nossos clientes. Sabemos que cada projeto é único e exigem soluções personalizadas.



Escritório CMP - Statement
Estamos em processo de execução completa da infraestrutura elétrica e de dados para o cliente Statement. O projeto incluiu a instalação de redes elétricas e de cabeamento estruturado, garantindo uma conexão eficiente e segura. Com um planejamento estratégico e execução precisa, entregamos uma solução robusta, preparada para suportar as demandas operacionais e futuras expansões da empresa.





Leonardo e Sueli




Realizamos toda a infraestrutura elétrica, incluindo a instalação dos sistemas de iluminação, partida de bomba e automação, garantindo eficiência, segurança e conformidade com as normas técnicas vigentes, para proporcionar o melhor desempenho e durabilidade das instalações.
Soluções diferenciadas para clientes diferenciados
Abaixo, uma sequência de soluções oferecidas pela Higgis Elétrica
Ensaio de resistência de isolamento de um trafo de 500kVA
Teste de resistência de aterramento, para construção de uma subestação
Instalação de um analisador de qualidade de energia e, posteriormente, geramos um relatório detalhado sobre o desempenho energético







Consultória técnica
Aeroporto Governador Valadares
Acompanhamento técnico para a elaboração do projeto de compatibilização, realizado pela Higgis Elétrica, com o objetivo de garantir segurança, agilidade e evitar qualquer interferência na operação do aeroporto.


O coração de um empreedimento






A falta de manutenção em subestações pode causar falhas em componentes críticos, interrupções no fornecimento de energia, sobrecargas e até incêndios, comprometendo a segurança e elevando os custos com reparos emergenciais e substituições. Além disso, pode reduzir a eficiência e a vida útil dos equipamentos.

Manunteções preventivas em subestações
Executamos manutenções preventivas e corretivas em subestações, garantindo a inspeção, limpeza e reparo dos componentes críticos, assegurando o funcionamento contínuo e seguro dos sistemas elétricos, com foco em evitar falhas e aumentar a vida útil dos equipamentos.







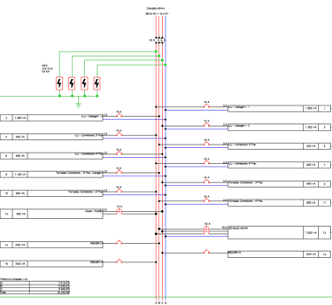
Relatório de gestão de energia
Um relatório de gestão de energia serve para monitorar o consumo, identificar ineficiências e otimizar o uso de energia, ajudando a reduzir custos e melhorar o desempenho energético de uma instalação







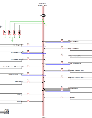
Realização de estudo de proteção
O estudo de proteção em subestações é essencial para garantir a segurança e a confiabilidade do sistema elétrico. Esse estudo define e ajusta os dispositivos de proteção, como relés e disjuntores, para detectar falhas e isolar rapidamente partes do sistema, evitando danos maiores. Sem uma proteção adequada, uma falha em um único equipamento pode causar interrupções em larga escala, sobrecargas ou até acidentes. O objetivo é garantir que o sistema funcione de forma eficiente e segura, minimizando o tempo de inatividade e os riscos para equipamentos e pessoas.


🔍 Identifique. 🛠️ Previna. 💡 Proteja com a Higgis Elétrica!






